OWIN L32W
- Rekonstruktion -
Der OWIN L32W ist ein Wechselstrom-Geradeaus-Empfänger mit integriertem Lautsprecher, Schirmgittervorröhre und variabler Antennenanpassung für den Fernempfang an kurzer Antenne.
| Schaltungsprinzip ........ | 5-Röhren-Rückkopplungs-Audion |
| Hersteller......................... | OWIN Radio-Apparate-Fabrik GmbH, Hannover (Oskar Winter) |
| Herstelljahr ................. | 1931/32 |
| Seriennummer ................. | 112946 (nach März 1931) |
| Anzahl Kreise ................ | 2 Kreis(e) AM |
| Wellenbereiche ............ | 200 ... 2000 m LW, MW |
| Ausstattung ................... | Zweikreis-Abstimmung, Eingangs-Sperrfilter, Permanentmagnet-Lautsprecher, externer Lautsprecher- und Phonoanschluss |
| Spannungsversorgung . | Wechselstrom 90-120, 120-130, 145-165 und 220 Volt |
| Lautsprecher ................. | OWIN |
| Leistungsaufnahme .... | ca 35 Watt |
| Abmessungen (BxHxT) . | 41 x 40,5 x 17 (cm) |
| Röhren .......................... | RENS1204, 2 x REN1004 (2 x REN904), RES304, Gleichrichterröhre RGN504 |
| Preis ............. | Wechselstrommodell: , Röhren: 41 RM |
| ähnliche Typen ............. | L42W, E32W |
1. Rundfunkjahr 1931/32
Die Radioindustrie war in den zwanziger Jahre eine junge, aufstrebende Industrie, die sich ab der zweiten Hälfte des Jahrzehnts kräftig entwickelte. OWIN, der Name ist abgeleitet vom Gründer und Financier Oskar Winter, hatte um 1930 bis zu 500 Mitarbeiter und fertigte in Hannover Apparate in hoher Fertigungstiefe. Die höchste Typenvielfalt mit 17 Modellen war im Jahr 1932. Im Absatzkrisenjahr 1935/36 mußte Owin neben Lumophon und Seibt Insolvenz anmelden und verschwand 1936 vom Markt.
Owin lieferte als kleinerer Hersteller der zweiten Reihe in der Saison 1930/31 11 Empfängertypen, davon 7 Netzempfänger für Gleich- oder Wechselstrom. Empfangsprinzip bei allen Apparaten ist das Audion mit Anodengleichrichtung. Der Typ L32W taucht sehr selten in den Katalogen des Rundfunkjahres 1931/32 auf.
Der Typ L32W ist ein Wechselstrom-Netzempfänger mit Schirmgitter-Eingangsröhre und Lautsprecher, dessen Audion auch für Fernempfang an kleiner Antenne geeignet ist. Diese Empfangseigenschaften werden in der Werbung betont, da ein Fernempfänger sich gegen den Druck der neu aufgekommenen Großsender behaupten mußte und Langdrahtantennen von 50 m in städtischer Umgebung kaum darstellbar waren. Zum besseren Empfang von Fernsendern verfügten Geräte über einen abstimmbaren Antennensperrkreis. Zu dieser Zeit häufig sind noch niedrige, schatullenartige Gehäuse mit drei Bedienknöpfen für separate Lautsprecher, aber auch erste sog. Midget-Geräte mit integriertem Lautsprecher kommen vor allem in den höheren Preisklassen auf.
Radioempfang ist kurz nach der Weltwirtschaftskrise ein teurer Luxus. Geräte wie dieses waren für die arbeitende Bevölkerung bei einem Monatsgehalt von durchschnittlich 140 Reichsmark kaum erschwinglich. Der Preis für dieses Gerät mit Röhren dürfte um 240 Reichsmark gelegen haben. Es handelte sich also nicht um ein "Volksradio".
2. Befund
Das Gerät wurde als unvollendet modifizierte Baustelle von einem Sammler übernommen. Der originale Korpus ist aus dem Leim. An der Gehäusefront wurde, wohl um eine andere Skala anzubringen, ein Ausschnitt auf Höhe der Skalenscheibe angelegt, die Bespannung ist weggerissen, die Bedienknöpfe fehlen, das Abdeckblech für das Skalenrad fehlt. Am Chassis wurde das Skalenrad entfernt, um wohl auch dort Platz für den Einbau eines Front-Displays zu schaffen. Der große Kondensator-Sammelblock fehlt. Besondere Ausstattung: Vor dem Netztrafo ist ein Antennensperrkreis montiert. Typbezeichnung und Seriennummer sind an der Unterseite des Holzgehäuse aufgenagelt.
Abb. 1 - Typschild mit Seriennummer
An der Chassisrückseite ist der Typ L32W aufgedruckt.
Abb. 2 - Zustand vor der Rekonstruktion. Das Gehäuse zeigt Spuren verschiedener unvollständiger Modifikations- und Restaurierungsversuche.
Typ-Varianten?
Es kommt beim Vergleich von Abbildungen schnell der Verdacht auf, dass für den Chassis-Typ "L32W" verschiedene Lautsprecher/Gehäuse-Varianten produziert wurden.
Variante V1
Eine Variante hat ein Gehäuse, bei dem das E-Typ-Gehäuse mit dem Gehäuse eines L2P-Lautsprechers "aufgestockt" worden ist, um ein Freischwingersystem aufzunehmen. Das Dekor des Lautsprecherausschnitts des L2P entspricht dem Dekor des L32W. 
Abb. 3 - L2P aus Schnorr, Radio-Katalog 1932
Dem Chassis fehlt der Sperrkreis. Wir nennen den Gerätetyp L32W-V1. Das Gehäuse dieser Variante ist mit dem des 4-Röhren-Empfängers L33 W identisch. 
Abb. 4 - L33W aus Schnorr, Radio-Katalog 1932

Abb. 5 - L32W Belegexemplar für L32W-V1 von Pierre G. (2017)

Abb. 6 - Rückseite L32W V1 von Pierre G. (2017)
Variante V2
Das Gehäuse des vorliegenden Geräts ist bedeutend niedriger mit einem simplen Rechteckausschnitt für einen wesentlich kleineren Lautsprecher. Der unterschiedliche Aufbau zeigt das folgende Bild der Rückseite. Die Modifikationen an der Frontseite wurden rückgängig gemacht, fehlende Teile ergänzt. Ein ellispenförmiger Ausschnitt in der Vordertraverse hätte den Einbau einer Membran von 20 cm Durchmesser ermöglicht.
Abb. 7 - Rückseite L32W-V2
Im Inneren des Gehäuses wurden Leisten ergänzt, um die Schallwand zurückzuverlegen. Diese Modifikation wurde zurückgenommen, so daß die Schallwand wieder an die Gehäusefront zu liegen kommt. Die Schallwand hat das Alter des Gehäuses, dürfte Original sein.

Abb. 8 - Rückseite L32W V1 von Pierre G. (2017)
Dieses Gerät verfügt über einen zusätzlichen Antennensperrkreis. Wir nennen diese Variante L32W-V2. Katalogabbildungen des L32W-V2 oder Prospekte von OWIN, wonach beide Typvarianten verifiziert werden könnten, existieren leider nicht.
3. Bedienhinweise
Aus der Original-Bedienungsanleitung hier die wichigsten Hinweise:
Antennenkopplung (linker Stufendrehschalter)
Zur Anpassung an unterschiedlich lange Antennen bietet das Gerät eine achtstufige Antennenkopplung (links schwach, nach rechts stärker). Auf der achten Position wird galvanische Kopplung auf den Gitterkreis eingestellt. In den Stufen 1 - 5 ist die bestmögliche Anpassungen für Mittelwelle zu suchen, für Langwelle sind die Stufen 6-8 zu nutzen. Normale Hochantennen sind bestangepaßt in den Stufen 1 und 2. Hilfsantennen wie Rohre und Dachrinnen auf Stufe 7 und Wurfantennen (5 m Klingeldraht o.ä.) auf Stufe 8. Die Ankopplung von Rahmen- und magnetischen Loopantennen muss man je nach Wellenlänge ausprobieren.
Senderabstimmung
Die Einstellung von Sendern wird bei diesem 2-Kreis-Rückkopplungsaudion an 2 Bedienelementen vorgenommen. In der Mitte der Bedienplatte ist die sog. "Trommelabstimmung", ein untersetzter Antrieb bewegt beide Kreis-Drehkos im Gleichlauf. An einen Hebel links neben der Skala kann eine Feinabstimmung vorgenommen werden. Links der Ein-Aus-Schalter, rechts der Wellenschalter. In der Stellung links werden kurze Wellen (MW), mittig Phono und rechts lange Wellen ausgewählt. Für Phonowiedergabe muß der Kurzschließer entfernt werden. Mit dem rechten Bedienknopf regelt man die Rückkopplung (Mitkopplung). Der Rückkopplungsregler ist so zu bedienen, daß Pfeiftöne vermieden werden, denn sie sind der hörbare Teil einer Eigenschwingung, die sich über die Antenne störend bemerkbar machen kann. Da dieses Gerät einen Vorkreis hat, sollten aber Eigenschwingungen von der Antenne ferngehalten werden. Starke Ortssender konnten durch Abstimmung des Sperrkreises auf der Rückseite abgeschwächt werden.
Lautsprecher
Das Gerät hatte ursprünglich einen eingebauten Lautsprecher im Durchmesser von ca 18 cm, der jetzt fehlt.
Umschaltung Phono/Rundfunk
Durch den beim Kauf mit erworbenen Kurzschließer sind für den Rundfunkempfang die mit Tonabnehmer bezeichneten Buchsen zu verbinden. Der Tonabnehmer sollte einen Pegelsteller haben, damit die Endröhre nicht übersteuert wird. Das Empfangsgerät selbst hat keinen Lautstärkeregler für Phonowiedergabe
Gerätesicherheit, Patente
Feinsicherung
Die Leistungsaufnahme des Geräts beträgt ca 35 Watt und ist bei 220V mit einer Feinsicherung 200 mA abgesichert, die in einer Schraubhülse eingesteckt ist und in die Buchse mit der gewünschten Netzspannung einzuschrauben ist. Die Originalsicherung war noch intakt. Das Gerät enthält keine automatische Netzabschaltung, wenn die Rückwand aus Blech geöffnet wird. Die Netzschnur ist durch das Metallchassis ohne Tülle geführt und mit einer Schlaufe als Zugentlastung gesichert. Diese Punkte werden von den damaligen VDE-Bestimmungen gefordert. Am Gehäuse sind seitlich befestigt: Typschild mit Seriennummer, Telefunken-Bauerlaubnis und Patentnachweis D.R.P. Huth, VDFI-und VDE-Siegel, ggf. Owin-Markenzeichen
5. Überarbeitung des Chassis
Abb. 9 Chassisunterseite vor Instandsetzung
Zur Prüfung und Aufarbeitung des Chassis läßt sich dieses ausbauen, indem man die 4 M3-Schrauben an der Unterseite löst. Bei dem über 90 Jahre alten Gerät ist mit Materialermüdungen aller Art zu rechnen.
Da im Gerät fast alles verschraubt oder verlötet und damit reparaturfreundlich ist, sollte man die unerläßliche Reinigung der Chassisoberfläche erst beginnen, wenn alle Bauteile abmontiert sind. Erst dann zeigen sich Fehler, die im montierten Zustand nicht sichtbar und schlecht behebbar sind. Bei dem vorliegenden Chassis war die silberfarbene Lackierung stellenweise von Rost unterfressen. Die Oberseite wurde an diesen Stellen bis zum blanken Metall abgeschliffen und versiegelt. Eine komplette Neulackierung ist bei dem historischen Gerät nicht anzuraten, da dann ein starker störender Kontrast zu den Aufbauten entsteht. Die Blechpakete der Trafos waren ursprünglich mattschwarz lackiert, Reste davon noch vorhanden. Nach Entrostung wurden die Pakete nur einem aushärtenden Öl (Leinölfirnis) getränkt. Alle textilen Isolierschläuche wurden ebenfalls mit Leinöl aufgefrischt.
Abb. 10 - Zustand nach Entstaubung
Schaltung
Der Antennen-/Vorkreis mit Cv1/L1, L2 dient zur Abstimmung auf die Empfangsfrequenz. Die erste Stufe mit Schirmgitterröhre leistet die HF-Vorverstärkung und hält Störschwingungen der Audionröhre von der Antenne fern. Der Spannungsteiler R7/R8 stellt die Schirmgitterspannung zur Verfügung, die von C12 gepuffert wird. R6 begrenzt den Anodenstrom der Vorkreisröhre. Mit der Einführung der Schirmgitterröhren um 1930 konnte dieser Vorkreis mit einer RENS1204 ausgestattet werden, die aber bereits im Folgejahr durch die heute noch gängigere RENS1264 ersetzt wurde. Die Empfindlichkeit des Radios hängt am Funktionieren dieser Röhre und von der noch verbliebenen Güte der Luftspulen ab. Mit C5 wird die HF von der Anode ausgekoppelt und an die eigentliche Audionstufe übergeben. Der LC-Serienkreis Cv3/L5 koppelt einen Anteil des verstärkten HF-Signals induktiv auf den abgestimmten Audionkreis L3/L4/Cv2 zurück mit dem Effekt, daß sich Empfindlichkeit und Trennschärfe des Eingangssignals signifikant erhöhen. Der Rückkopplungsregler Cv3 (ca 50...600 pF) sorgt für das richtige Maß an rückgekoppelter Energie und vermeidet, dass das Audion sich bis zur Selbsterregung aufschaukelt (Pfeiftöne und Oberschwingungen).
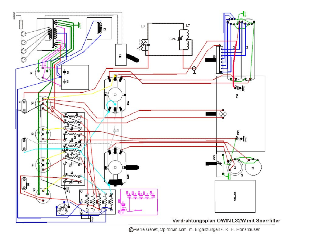
Verdrahtungsplan
Abb. 11 Der von Pierre Genet in weiten Teilen übernommene Verdrahtungsplan ist um die zusätzlichen Komponenten für das Sperrfilter ergänzt.
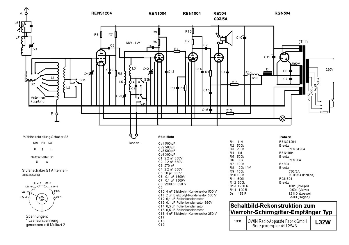
Schaltplan-Rekonstruktion
Eine Kopie des Originalschaltplans von OWIN steht für diesen Typ nicht zur Verfügung. Die OWIN-Netzempfänger aus der Zeit um 1930 sind sehr ähnlich aufgebaut und besitzen häufig eine HF-Vorstufe mit der Schirmgitterröhre RENS1204 und einer REN904 zw. 1004 als Audionröhre. Die NF ist zweistufig mit einer weiteren 904 als Vorröhre und einer Lautsprecherröhre. Je nach Leistungsfähigkeit der Endröhre ist die Gleichrichterröhre bemessen. In der Regel wird für alle Modelle ab 1930 der gleiche Spulensatz mit Wahlschalter im Antennenkreis genutzt, die Stufen sind mit Kondensatoren gekoppelt (anders: E33W mit Trafokopplung). Die Gittervorspannungen werden von einem Spannungsteiler an Masse erzeugt. Alle Audions sind als Anodengleichrichter geschaltet, die Gitter-Kombination fehlt.
Vorlage für das gezeigte Schaltbild ist die Rekonstruktion von Pierre G. anhand seines Exemplars des L32W. Der Vergleich der Komponenten(werte) anhand der Verdrahtung unsres Exemplars ergab weitestgehende Übereinstimmung. Unterschiede zeigen sich lediglich an der Beschaltung des Antenneneingangs (Sperrfilter).
Beim Lautsprecher wurde von einem Direktanschluß an eine Treiberspule für ca 25 mA ausgegangen, entsprechend dem Anodenstrom der RE304. Dieser Wert erfordert einen leistungsfähigeren Lautsprecher als den noch gut verfügbaren VE-Freischwinger, der nur mit 15 mA belastet werden darf. Alternativ kann ein geeigneter Ausgangsübertrager für niederohmige Lautsprecher eingeschleift werden. Näherungsweise ist von einer Impedanz von 16 kOhm auszugehen.
Abb. 12 Schaltplan-Rekonstruktion
Röhren
Der Originalröhrensatz von Telefunken ist auf den Röhrensockelplatten aufgedruckt (RENS1204, REN1004, REN1004, RES304, RGN504). Diese Röhren sind heute mit mindestens brauchbarer Restfunktion kaum mehr erhältlich und wenn, ist ihr mechanischer Zustand meist schlecht: lockere Sockel, schlecht passende und korrodierte Stifte, wackelnde Anschlüsse, fehlende oder schlecht reparierte Metallisierung, etc. Nur die Röhren aus den zwanziger Jahren passen exakt mit ihren dünneren Stiftkontakten (3 mm) in die Buchsen. Spätere Ausführungen haben dickere Stifte (3,x mm) und lassen sich nicht ganz einstecken. Notfalls können die Buchsen von oben mit einer Reibahle etwas aufgeweitet werden. Anschlußbelegung und Spannungen können zu allen Röhren aus den noch verfügbaren Sockelbeschaltungen und Datenblättern entnommen werden.
Ersatztypen
Aus Beschaffungs- und Kostengründen können für die selten gewordenen Originalröhren Ersatzröhren erstellt werden, ohne daß Eingriffe in das Gerät selbt vorgenommen werden müssen. Vor allem für die seltene und teure Endröhre sollte ein Ersatz gefunden werden. Während der Inbestriebnahme können die historischen Röhren können so geschont werden durch den Einbau eines umgesockelten, modernen Ersatztyps (vgl. Umsockeln oder einer Ersatzschaltung.
Im Schaltplan ist eine Liste von Vergleichstypen aufgeführt, die noch in einsatzfähigem Zustand beschafft werden können.
Die Pentode REN1204 und die Triode REN1004 wurden schon früh durch Nachfolgetypen ersetzt (REN904, A4110) und sind heute noch beschaffbar.
Die Zweiweg-Gleichrichterröhre RGN504 kann durch eine im Sockel der tauben Röhre untergebrachte Halbleiterschaltung ersetzt werden. Zu niedrige Anodenspannung: Gleichrichterröhre auf Verschleiß prüfen, Gesamtstromaufnahme an der Gleichrichteranode prüfen.
Die Originalröhren sind im TELEFUNKEN Röhrenbuch 1903-1928, Berlin, 1928 (Druckschrift 2015) bzw. TELEFUNKEN Röhren von A - Z 1930-1931, Berlin, 1931 (Druckschrift 2015)1928 - mit ihren technischen Daten und Kennlinien beschrieben. Nach diesen Angaben sollten die Heizspannung, die Anodenspannung und die negative Gittervorspannung nachgemessen werden (unter Last messen: Röhren eingesteckt, kein Nutzsignal). Der Anodenruhestrom sollte insbesondere bei der Endröhre und bei eingestecktem Lautsprecher nachgeprüft werden.
Eine Unterheizung sollte vermieden werden. Die Röhren sind auf eine Mindestheizspannung von 3,8 VAC ausgelegt. Abweichungen der Gittervorspannung können an den Widerständen im Spannungsteiler liegen, laufen einzelne Widerstände aus der Toleranz, müssen sie ersetzt werden. Einige Typen haben spezielle Heizdrähte, die im Betrieb nur dunkelrot oder gar nicht glühen (Thorium-Heizfaden).
Bei den heute noch beschaffbaren Röhren fehlt häufig die Metallisierung oder war bei manchen frühen Ausführungen auch nie vorhanden. Es ist zu prüfen, ob die Abschirmung überhaupt bei dieser Schaltung notwendig ist. Ggf. kann sie mit Graphit- oder EMV-Sprühlack aufgetragen werden, wobei der Kontakt zum Drahtkontakt am Sockelrand sichergestellt werden muß.
Locker im Sockel sitzende Röhren können je nach Größe des Spalts nachgeklebt (Schellacklösung) oder nachgekittet werden, siehe Anleitung. Röhren, die Aussetzer im Betrieb haben, können an den Sockelstiften evtl. nachgelötet werden.
Spulensatz
Für die Instandsetzung der beiden Luftspulenpaare sind diese auszubauen. Der Aufbau und die Verdrahtung ist in der Abbildung dokumentiert.
Abb. 13 Daten und Verschaltung des Spulensatzes
Kondensatoren und Widerstände
Für die Instandsetzung der Kondensatoren und Widerstände gilt die Beschreibung für den Typ E31W, der weitgehend baugleich ist.
6. Inbetriebnahme
Bevor man an das Einschalten geht, ist der Aufbau zu kontrollieren und durchzumessen. Eine neue Netzzuleitung ist erforderlich, da die Isolierungen der alten hart und brüchig geworden sind und bei Bewegungen brechen. Der originale Netzstecker passt meistens an ein Trenntrafo; ggf. muss eine alte Steckdose ohne Schutzkontakt zwischengeschaltet werden.
Man beginnt nun damit, Trafo, Lade- und Siebkondensatoren und Drossel in Betrieb zu nehmen, mißt die Leerlaufspannungen von Anoden- und Heizwicklungen und steckt dann die Gleichrichterröhre ein. Die Gleichspannungen an den Stiftkontakten der Röhren kann man nun nachkontrollieren. An den Steuergittern muß eine negative Vorspannung gemessen werden können. Die Schirmgitterspannung muß bei der RENS 1204 knapp unter 60 Volt liegen.
Die alten Röhren langsam an die Wiederaufnahme des Betriebs gewöhnen. Erst die korrekte Heizspannung von 4 Volt anlegen, später die Anodenspannung. Außerdem kann man mit Regeltrafo oder notfalls Vorschaltlampe beginnen, das gesamte Radio in Betrieb zu nehmen. Beim Einschalten leuchtet die Lampe erst etwas heller und geht dann in ein konstantes Glimmen über.
Im nächsten Schritt kann man die Schirmgitterröhre einstecken und prüfen, ob der Antennenkreis arbeitet. Hierzu kann man das Signal eines Meßsenders an den Antenneneingang geben (auf etwa 10 - 50 µV abschwächen) und die Wirkung des Stufenschalters und die Verstärkung mit Oszilloskop prüfen.
Im nächsten Schritt kann man die restlichen HF-Verstärkerröhren einstecken und das AM-modulierte Signal des Meßsenders weiterverfolgen und am Ende die Demodulation überprüfen. An der Anode der letzten Röhre sollte die NF abgegriffen werden. Die Endröhre kann dabei provisorisch an einen Lastwiderstand angeschlossen werden.
Links
OWIN Radio-Apparate-Fabrik GmbH Modelle 1931, Ausgabe September 1931, HannoverSchorr Radio-Katalog 1931/32, Leipzig 1932
Arlt Radio-Katalog 1931/32, Berlin 1932
REUTER, Wilhelm Radio-Katalog 1933, Magdeburg 1932
JACOBS, Ferdinand: Röhren sparen - aber wie? in: Funkschau H. 5/6 Mai/Juni 1944, München SCHNEIDER, J.: Röhrenersatz durch Austausch und Selbstbau Jacob Schneider-Verlag, Berlin 1946
Andere OWIN Projekte:
GENET, Pierre: Remise en route du poste OWIN type L32W In: cfp-radio.com (2017)
E11W (1930)
E33W (1931)
E39W (1932/33)
E44W (1932/33)